Страница 3 из 5
Re: Schneider VGA AT System 40
Добавлено: Пт фев 05, 2021 10:17 pm
cyreex
Хорошо, что я решил не забирать этот комп. В хорошие руки попал

Я бы ой как нескоро до него добрался.
Re: Schneider VGA AT System 40
Добавлено: Пт фев 05, 2021 10:36 pm
Lyawon
grindim писал(а): Пт фев 05, 2021 10:17 pm
БП внутри выглядит очень качественно и добротно.
Ну, до ремонта он ещё более качественно и добротно выглядил =) Вот так вот:

- PSUbefore.jpg (96.62 КБ) 4551 просмотр
Кстати, он, так сказать, "модульный БП" из конца 80х - справа снизу на фото - два "молекса" для подключения питания к дискам.
Re: Schneider VGA AT System 40
Добавлено: Пт фев 05, 2021 10:44 pm
grindim
два "молекса" для подключения питания к дискам.
Я когда увидел, подумал, что это молексы. Но такой думаю, а что они там делают ? Наверное это не они. А тут все таки они оказались )
Re: Schneider VGA AT System 40
Добавлено: Сб фев 06, 2021 3:50 am
Lyawon
Разобрался с винтом: если его детектить как C/H/S 733/7/17, то IDE контроллер - ругается. А причиной тому посыпавшаяся поверхность. По-этому его детектим как 733/5/17 - в таком варианте контроллер не ругается и позволяет спокойно загружаться. Именно в такой разметке он и был отформатирован до того, как попал ко мне.
Дисковод 3,5" оказался рабочим, а вот с внешним 5,25 что-то не так - будем разбираться.
Ещё обнаружился неисправный backspace на клаве - тоже нужно смотреть
Re: Schneider VGA AT System 40
Добавлено: Сб фев 06, 2021 7:18 am
Ph@nt0m-X
Lyawon писал(а): Сб фев 06, 2021 3:50 am
Разобрался с винтом: если его детектить как C/H/S 733/7/17, то IDE контроллер - ругается. А причиной тому посыпавшаяся поверхность. По-этому его детектим как 733/5/17 - в таком варианте контроллер не ругается и позволяет спокойно загружаться. Именно в такой разметке он и был отформатирован до того, как попал ко мне.
Дисковод 3,5" оказался рабочим, а вот с внешним 5,25 что-то не так - будем разбираться.
Ещё обнаружился неисправный backspace на клаве - тоже нужно смотреть
Покупая ретро железяку, хочется что бы она работала идеально. Хотя последнее время мне нравятся вот такие ретро хардварные детективы

и танцы с бубном )).
@Lyawon желаю быстрее поставить "пациента" на ноги )
Re: Schneider VGA AT System 40
Добавлено: Сб фев 06, 2021 12:14 pm
Lyawon
Ph@nt0m-X писал(а): Сб фев 06, 2021 7:18 am
Lyawon писал(а): Сб фев 06, 2021 3:50 am
Дисковод 3,5" оказался рабочим, а вот с внешним 5,25 что-то не так - будем разбираться.
Покупая ретро железяку, хочется что бы она работала идеально. Хотя последнее время мне нравятся вот такие ретро хардварные детективы

и танцы с бубном )).
@Lyawon желаю быстрее поставить "пациента" на ноги )
Спасибо!
Даже и не знаю, что лучше %)
Но вот очередное - дохлый БП в блоке внешнего дисковода.
Компоновка блока внешнего дисковода:
► Показать

- FDDext1.jpg (68.72 КБ) 4529 просмотров
Открываем БП, а там из под платы следы ба-баха

))

- FDDext2_before.jpg (95.73 КБ) 4529 просмотров
Но оказалось показалось - это следы приваривания стоек крепления к корпусу:
► Показать

- FDDext3.jpg (73.44 КБ) 4529 просмотров
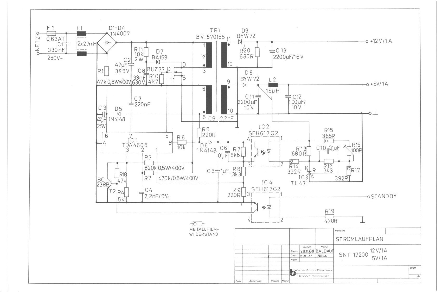
Будем разбираться, благо схема практически на такой же БП (только с возможностью засылать его в standby внешним сигналом) - имеется:

- FDDsch.jpg (169.85 КБ) 4529 просмотров
Re: Schneider VGA AT System 40
Добавлено: Сб фев 06, 2021 12:31 pm
Lyawon
И ещё: посмотрите пожалуйста по сусекам - может у кого есть кнопка с фиксацией как на рисунке.
Важно, чтоб длинна была 18 мм от основания платы. Можно больше.
Между рядами ног - 6 мм
основание корпуса кнопки - квадрат 9,5..10 мм.
На белчипе взял то, что у них называется Размер, мм 8.5x8.5x14 - короткая...

- IMG_20210206_122546.jpg (159.4 КБ) 4526 просмотров
Re: Schneider VGA AT System 40
Добавлено: Вт фев 09, 2021 12:35 am
Lyawon
Lyawon писал(а): Сб фев 06, 2021 12:14 pm
Но вот очередное - дохлый БП в блоке внешнего дисковода.
замена IC1 вернула его в строй
Re: Schneider VGA AT System 40
Добавлено: Вс мар 14, 2021 5:47 pm
Lyawon
XTIDE universal BIOS хочу на boot ROM сетевухи, но натыкаюсь на грабли: загрузка XTIDE BIOS вешает систему. Ну, может вывести пару строк приветствия - и всё.
Однако, если установить частоты CPU/ISA = 6,25/6,25 вместо 12/6,25 - то работает. Да, такая вот мать в этом компе - ISA или 6,25 или синхронно с CPU %)
Самое смешное, что у меня ещё есть 286@12МГц - на нём та же история: замедляешь его кнопкой turbo - загружается.
От наличия подключения hdd не зависит.
К сожалению, у меня только 2 сетевые карты ISA - 3com EtherlinkIII (на ней экспериментируют) и ещё не PnP ноунэйм на UMC. С UMC вообще не смог завести - видимо не понимает МС объёмом 256кб и 512кб (других под рукой нет), хотя по идее всё должно работать. Может дохлая она вовсе.
Наверное, следующий шаг - попробовать ещё в третьем компе (P1) - то точно что-то не так с сетевухой или МС ROM.
Re: Schneider VGA AT System 40
Добавлено: Сб мар 20, 2021 1:16 pm
Lyawon
В общем, обе сетевухи работают в P1.
А вот в этом Schneider при 12,5 МГц на ISA - нет.
Ещё выяснил вот что: если в BIOS setup поставить CPU/ISA = 12,5/6,25, то в силу того, что используемый чипсет GC101/102 - синхронный, частота системы будет 6,25 при операциях I/O, а при остальных - 12,5 МГц (а не как сразу может показаться - проц @ 12, ISA @ 6

. Типа "для совместимости ISA". Но обе мои сетевухи не смогли в этом режиме загрузить ROM BIOS. Я даже по случаю проэкспериментировал с более быстрой PROM (80 нс) - лучше не стало.
Так что если у вас есть ISA сетевухи моделей, отличных от этих:
- Etherlink III - 3C509B
- Тайваньский ноунэйм на UMC UM9003F
Будьте любезны, отдолжите потестировать.
Немного постарасля с модом PROM большей ёмкости:

- DIP32toDIP28.jpg (107.54 КБ) 4336 просмотров